Product Summary
The QM600HA-24 is a transistor module which is designed for high power switching use.
Parametrics
QM600HA-24 absolute maximum ratings: (1)Collector-emitter voltage: 350 V; (2)Collector-emitter voltage: 350 V; (3)Collector-base voltage: 400 V; (4)Emitter-base voltage: 10 V; (5)Collector current: 600 A; (6)Collector dissipation: 2080 W; (7)Base current: 15 A; (8)Junction temperature: -40 to +150℃; (9)Storage temperature: -40 to +125℃.
Features
QM600HA-24 features: (1)IC Collector current: 600A; (2)VCEX Collector-emitter voltage: 350V; (3)hFE DC current gain: 500; (4)Non-Insulated Type.
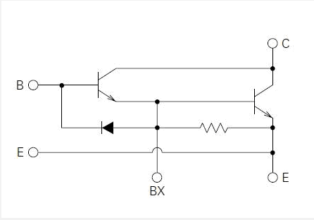
Diagrams

![]() |
![]() QM600HD-M |
![]() Other |
![]() |
![]() Data Sheet |
![]() Negotiable |
|
||||
![]() |
![]() QM6003 |
![]() |
![]() LIGHT PILOT RELIANT'22 SQ6A ORAN |
![]() Data Sheet |
![]() Negotiable |
|
||||
![]() |
![]() QM6002 |
![]() |
![]() LIGHT PILOT RELIANT'22 SQ 6A RED |
![]() Data Sheet |
![]() Negotiable |
|
||||
(China (Mainland))








