Product Summary
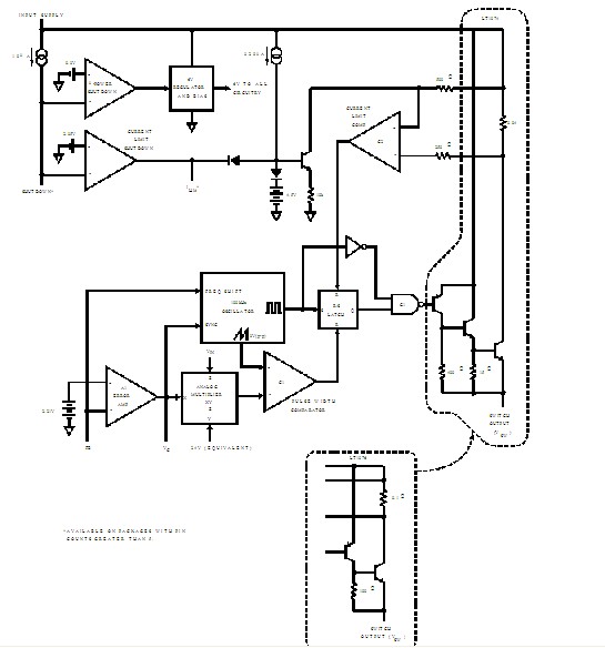
The LT1074HVCT7 is a 5A (LT1076 is rated at 2A) monolithicbipolar switching regulator which requires only a fewexternal parts for normal operation. The LT1074HVCT7 is a power switch, alloscillator and control circuitry, and all current limit com-ponents, are included on the chip. The topology is a classic positive buck configuration but several design innova-tions allow this device to be used as a positive-to-negativeconverter, a negative boost converter, and as a flybackconverter. The switch output is specified to swing 40Vbelow ground, allowing the LT1074HVCT7 to drive a tapped-inductor in the buck mode with output currents up to 10A.
Parametrics
LT1074HVCT7 absolute maximum ratings: (1)Switch On Voltage (Note 2): 1.85V; (2)Switch Off Leakage: 300μA; (3)Supply Current (Note 3):11mA; (4)Minimum Supply Voltage: 7.3V 8V ; (5)Switch Current Limit (Note 5): 6.5A 8.5A; (6)Maximum Duty Cycle: 85 90%; (7)Switching Frequency Line Regulation: 0.03 0.1%; (8)Error Amplifier Voltage Gain (Note 7): 2000V; (9)Feedback Pin Bias Current: 0.5 2μA.
Features
LT1074HVCT7 features: (1)5A Onboard Switch (LT1074); (2)100kHz Switching Frequency; (3)Greatly Improved Dynamic Behavior; (4)Available in Low Cost 5 and 7-Lead Packages; (5)Only 8.5mA Quiescent Current; (6)Programmable Current Limit; (7)Operates Up to 60V Input; (8)Micropower Shutdown Mode.
Diagrams

| Image | Part No | Mfg | Description | ![]() |
Pricing (USD) |
Quantity | ||||||||||
|---|---|---|---|---|---|---|---|---|---|---|---|---|---|---|---|---|
![]() LT1074HVCT7 |
![]() |
![]() IC REG MULTI CONFIG ADJ TO220-7 |
![]() Data Sheet |
![]()
|
|
|||||||||||
![]() LT1074HVCT7#PBF |
![]() |
![]() IC REG MULTI CONFIG ADJ TO220-7 |
![]() Data Sheet |
![]()
|
|
|||||||||||
(China (Mainland))








