Product Summary
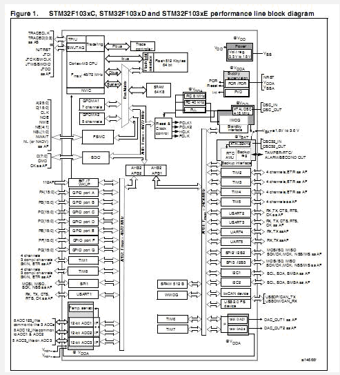
The STM32F103RCT6 is a High-density performance line ARM-based 32-bit MCU with 256 to 512KB Flash, USB, CAN, 11 timers, 3 ADCs, 13 communication interfaces. The STM32F103RCT6 incorporates the high-performance ARM Cortex-M3 32-bit RISC core operating at a 72 MHz frequency, high-speed embedded memories (Flash memory up to 512 Kbytes and SRAM up to 64 Kbytes), and an extensive range of enhanced I/Os and peripherals connected to two APB buses. The STM32F103RCT6 can offer three 12-bit ADCs, four general-purpose 16-bit timers plus two PWM timers, as well as standard and advanced communication interfaces: up to two I2Cs, three SPIs, two I2Ss, one SDIO, five USARTs, an USB and a CAN.
Parametrics
STM32F103RCT6 absolute maximum ratings: (1)External main supply voltage (including VDDA and VDD):–0.3V to 4.0V; (2)Input voltage on five volt tolerant pin:VSS-0.3V to +5.5V; (3)Input voltage on any other pin:VSS-0.3V to VDD+0.3V; (4)Variations between different VDD power pins:50mV; (5)Variations between all the different ground pins:50mV.
Features
STM32F103RCT6 features: (1)72 MHz maximum frequency, 1.25 DMIPS/MHz (Dhrystone 2.1)performance at 0 wait state memory access; (2)Single-cycle multiplication and hardware division; (3)256 to 512 Kbytes of Flash memory; (4)up to 64 Kbytes of SRAM; (5)LCD parallel interface, 8080/6800 modes; (6)2.0 to 3.6 V application supply and I/Os; (7)POR, PDR, and programmable voltage detector (PVD); (8)4-to-16 MHz crystal oscillator; (9)Internal 8 MHz factory-trimmed RC; (10)Internal 40 kHz RC with calibration; (11)32 kHz oscillator for RTC with calibration.
Diagrams

| Image | Part No | Mfg | Description | ![]() |
Pricing (USD) |
Quantity | ||||||||||||
|---|---|---|---|---|---|---|---|---|---|---|---|---|---|---|---|---|---|---|
![]() |
![]() STM32F103RCT6 |
![]() STMicroelectronics |
![]() ARM Microcontrollers (MCU) 32BIT Cortex M3 H/D 256 to 512 USB/CAN |
![]() Data Sheet |
![]()
|
|
||||||||||||
![]() |
![]() STM32F103RCT6TR |
![]() STMicroelectronics |
![]() ARM Microcontrollers (MCU) 32BIT Cortex M3 M3 72MHz 64pins |
![]() Data Sheet |
![]()
|
|
||||||||||||
(China (Mainland))









