Product Summary
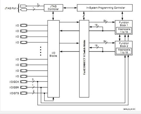
The XC9536XL is a 3.3V CPLD targeted for high-performance, low-voltage applications in leading-edge communications communications and computing systems. The XC9536XL-10VQC64C is comprised of two 54V18 Function Blocks, providing 800 usable gates with propagation delays of 5 ns.
Parametrics
XC9536XL absolute maximum ratings: (1)VCC Supply voltage relative to GND: –0.5 to 4.0V; (2)VIN Input voltage relative to GND: –0.5 to 5.5V; (3)VTS Voltage applied to 3-state output: –0.5 to 5.5V; (4)TSTG Storage temperature: –65 to +150℃; (5)TSOL Maximum soldering temperature (10s @ 1/16 in. = 1.5 mm): +260℃; (6)TJ Junction temperature: +150℃.
Features
XC9536XL features: (1)5 ns pin-to-pin logic delays; (2)System frequency up to 178 MHz; (3)36 macrocells with 800 usable gates; (4)Fast concurrent programming; (5)Slew rate control on individual outputs; (6)Enhanced data security features; (7)Pin-compatible with 5V-core XC9536 device in the 44-pin PLCC package and the 48-pin CSP package; (8)Low power operation -5V tolerant I/O pins accept 5 V, 3.3V, and 2.5V signals; (9)3.3V or 2.5V output capability; (10)Advanced 0.35 micron feature size CMOS FastFLASH. technology.
Diagrams

| Image | Part No | Mfg | Description | ![]() |
Pricing (USD) |
Quantity | ||||||
|---|---|---|---|---|---|---|---|---|---|---|---|---|
![]() |
![]() XC9536XL |
![]() Other |
![]() |
![]() Data Sheet |
![]() Negotiable |
|
||||||
![]() |
![]() XC9536XL-10CS48C |
![]() |
![]() IC CPLD 36 MCELL C-TEMP 48-CSP |
![]() Data Sheet |
![]()
|
|
||||||
![]() |
![]() XC9536XL-10CS48I |
![]() |
![]() IC CPLD 36 MCELL I-TEMP 48-CSP |
![]() Data Sheet |
![]()
|
|
||||||
![]() |
![]() XC9536XL-10CSG48C |
![]() |
![]() IC CPLD 36MCELL 10NS 48-CSBGA |
![]() Data Sheet |
![]()
|
|
||||||
![]() |
![]() XC9536XL-10CSG48I |
![]() |
![]() IC CPLD 36MCELL 10NS 48-CSBGA |
![]() Data Sheet |
![]()
|
|
||||||
![]() |
![]() XC9536XL-10PC44C |
![]() |
![]() IC CPLD 36 MCELL 3.3V 44-PLCC |
![]() Data Sheet |
![]()
|
|
||||||
![]() |
![]() XC9536XL-10PC44I |
![]() |
![]() IC CPLD 36 MCELL I-TEMP 44-PLCC |
![]() Data Sheet |
![]()
|
|
||||||
![]() |
![]() XC9536XL-10PCG44C |
![]() |
![]() IC CPLD 36 MCELL 3.3V 44-PLCC |
![]() Data Sheet |
![]()
|
|
||||||
(China (Mainland))










