Product Summary
The STM32F103VCT6 is a performance line microcontroller. This datasheet provides the ordering information and mechanical device characteristic of the STM32F103VCT6 high-density performance line microcontroller. For information on programming, erasing and protection of the internal Flash memory please refer to the STM32F103VCT6 Flash programming manual.
Parametrics
STM32F103VCT6 absolute maximum ratings: (1)VDD–VSS External main supply voltage (including VDDA and VDD)(1): –0.3, 4.0V; (2)VIN Input voltage on five volt tolerant pin(2): VSS-0.3, +5.5V; (3)VIN Input voltage on any other pin(2): VSS-0.3, VDD+0.3V; (4)|VDDx| Variations between different VDD power pins: 50mV; (5)|VSSX-VSS| Variations between all the different ground pins: 50mV.
Features
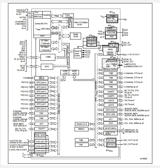
STM32F103VCT6 features: (1)Core: ARM 32-bit Cortex-M3 CPU: 72 MHz maximum frequency, 1.25 DMIPS/MHz (Dhrystone 2.1)performance at 0 wait state memory access, Single-cycle multiplication and hardware division; (2)Memories: 256 to 512 Kbytes of Flash memory, up to 64 Kbytes of SRAM, Flexible static memory controller with 4 Chip Select. Supports Compact Flash, SRAM, PSRAM, NOR and NAND memories, LCD parallel interface, 8080/6800 modes; (3)Up to 112 fast I/O ports: 51/80/112 I/Os, all mappable on 16 external interrupt vectors and almost all 5 V-tolerant; (4)2 × 12-bit D/A converters; (5)DMA: 12-channel DMA controller: Supported peripherals: timers, ADCs, DAC, SDIO, I2Ss, SPIs, I2Cs and USARTs; (6)Debug mode: Serial wire debug (SWD)& JTAG interfaces, Cortex-M3 Embedded Trace Macrocell.
Diagrams

| Image | Part No | Mfg | Description | ![]() |
Pricing (USD) |
Quantity | ||||||||||||
|---|---|---|---|---|---|---|---|---|---|---|---|---|---|---|---|---|---|---|
![]() |
![]() STM32F103VCT6 |
![]() STMicroelectronics |
![]() ARM Microcontrollers (MCU) 32BIT Cortex M3 H/D 259 to 512 USB/CAN |
![]() Data Sheet |
![]()
|
|
||||||||||||
![]() |
![]() STM32F103VCT6TR |
![]() STMicroelectronics |
![]() ARM Microcontrollers (MCU) 32-Bit Cortex 64Kb Performance Line |
![]() Data Sheet |
![]()
|
|
||||||||||||
(China (Mainland))









